2017년 토목기사 4회차 8번 - 기출문제 및 해설
문제 1
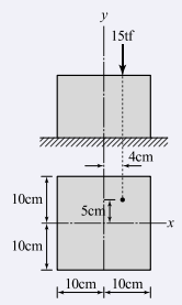
그림과 같은 단주에 편심하중이 작용할 때 최대 압축응력은?
1.
138.75kg/cm²
2.
172.65kg/cm²
3.
245.75kg/cm²
4.
317.65kg/cm²
💡 로그인하면 학습 진행률이 자동으로 저장되고, 북마크와 오답노트를 사용할 수 있습니다.
이전
다음