2017년 토목기사 4회차 5번 - 기출문제 및 해설

문제 1

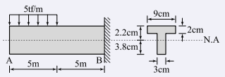
주어진 T형보 단면의 캔틸레버보에서 최대 전단 응력을 구하면 얼마인가? (단, T형보 단면의 INA=86.8cm4I_{N · A}=86.8cm^4이다.)