2015년 토목기사 1회차 72번 - 기출문제 및 해설
문제 1
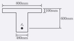
강도 설계법에서 그림과 같은 T형보에 압축연단에서 중립축까지의 거리(c)는 약 얼마인가? (단,
A
8
=
14
D
−
25
=
7094
m
m
2
,
f
c
k
=
35
M
P
a
,
f
y
=
400
M
P
a
A_8=14D-25=7094mm^2, f_{ck}=35MPa, f_y=400MPa
A
8
=
14
D
−
25
=
7094
m
m
2
,
f
c
k
=
35
MP
a
,
f
y
=
400
MP
a
)
1.
132mm
2.
155mm
3.
165mm
4.
186mm
💡 로그인하면 학습 진행률이 자동으로 저장되고, 북마크와 오답노트를 사용할 수 있습니다.
이전
다음