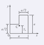
문제 1
다음과 같이 1변이
a
인 정사각형 단면의 1/4 을 절취한 나머지 부분의 도심(
C
)의 위치
Y_o
는?
1.
\frac{5}{12}a
2.
\frac{6}{12}a
3.
\frac{7}{12}a
4.
\frac{8}{12}a
💡 로그인하면 학습 진행률이 자동으로 저장되고, 북마크와 오답노트를 사용할 수 있습니다.
이전
다음