2019년 산업안전기사 1회차 64번 - 기출문제 및 해설
문제 1
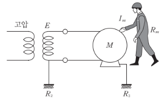
다음 그림과 같이 완전 누전되고 있는 전기기기의 외함에 사람이 접촉하였을 경우 인체에 흐르는 전류(
I
m
I_m
I
m
)는? (단, E(V)는 전원의 대지전압,
R
2
[
Ω
]
R_2[Ω]
R
2
[
Ω
]
는 변압기 1선 접지, 제2종 접지저항,
R
3
[
Ω
]
R_3[Ω]
R
3
[
Ω
]
은 전기기기 외함 접지, 제3종 접지저항,
R
m
[
Ω
]
R_m[Ω]
R
m
[
Ω
]
은 인체저항이다.)
1.
E
R
2
+
(
R
3
×
R
m
R
3
+
R
m
)
×
R
3
R
3
+
R
m
\frac{E}
{R_2+\left (
\frac{R_3×R_m}
{R_3+R_m} \right )}×
\frac{R_3}
{R_3+R_m}
R
2
+
(
R
3
+
R
m
R
3
×
R
m
)
E
×
R
3
+
R
m
R
3
2.
E
R
2
+
(
R
3
+
R
m
R
3
×
R
m
)
×
R
3
R
3
+
R
m
\frac{E}
{R_2+\left (
\frac{R_3+R_m}
{R_3×R_m} \right )}×
\frac{R_3}
{R_3+R_m}
R
2
+
(
R
3
×
R
m
R
3
+
R
m
)
E
×
R
3
+
R
m
R
3
3.
E
R
2
+
(
R
3
×
R
m
R
3
+
R
m
)
×
R
m
R
3
+
R
m
\frac{E}
{R_2+\left (
\frac{R_3×R_m}
{R_3+R_m} \right )}×
\frac{R_m}
{R_3+R_m}
R
2
+
(
R
3
+
R
m
R
3
×
R
m
)
E
×
R
3
+
R
m
R
m
4.
E
R
3
+
(
R
2
×
R
m
R
2
+
R
m
)
×
R
3
R
3
+
R
m
\frac{E}
{R_3+\left (
\frac{R_2×R_m}
{R_2+R_m} \right )}×
\frac{R_3}
{R_3+R_m}
R
3
+
(
R
2
+
R
m
R
2
×
R
m
)
E
×
R
3
+
R
m
R
3
💡 로그인하면 학습 진행률이 자동으로 저장되고, 북마크와 오답노트를 사용할 수 있습니다.
이전
다음