2021년 토목기사 3회차 76번 - 기출문제 및 해설

문제 1

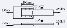
그림과 같은 필릿용접에서 일어나는 응력으로 옳은 것은? (단, KDS 14 30 25 강구조 연결 설계기준(허용응력설계법)에 따른다.)