2017년 토목기사 2회차 78번 - 기출문제 및 해설
문제 1
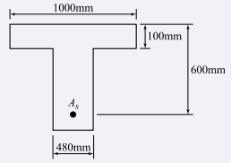
강도 설계법에서 그림과 같은 T형보의 응력 사각형블록의 깊이(
a
a
a
)는 얼마인가? (단,
A
s
=
14
−
D
25
=
7094
m
m
2
,
f
c
k
=
21
M
P
a
,
f
y
=
300
M
P
a
A_s=14-D25=7094mm^2, f_{ck}=21MPa, f_y=300MPa
A
s
=
14
−
D
25
=
7094
m
m
2
,
f
c
k
=
21
MP
a
,
f
y
=
300
MP
a
)
1.
120mm
2.
130mm
3.
140mm
4.
150mm
💡 로그인하면 학습 진행률이 자동으로 저장되고, 북마크와 오답노트를 사용할 수 있습니다.
댓글
0/500
등록
이전
다음