2017년 토목기사 2회차 73번 - 기출문제 및 해설
문제 1
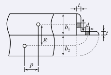
다음은 L형강에서 인장응력 검토를 위한 순폭계산에 대한 설명이다. 틀린 것은?
1.
전개 총폭
(
b
)
=
b
1
+
b
2
−
t
(b)=b_1+b_2-t
(
b
)
=
b
1
+
b
2
−
t
이다.
2.
P
2
4
g
≥
d
\frac{P^2}
{4g}\geq d
4
g
P
2
≥
d
인 경우 순폭
(
b
n
)
=
b
=
d
(bn)=b=d
(
bn
)
=
b
=
d
이다.
3.
리벳선간거리
(
g
)
=
g
1
−
t
(g)=g_1-t
(
g
)
=
g
1
−
t
이다.
4.
P
2
4
g
<
d
\frac{P^2}
{4g}< d
4
g
P
2
<
d
인 경우 순폭
(
b
n
)
=
b
−
d
−
P
2
4
g
(bn)=b-d-
\frac{P^2}
{4g}
(
bn
)
=
b
−
d
−
4
g
P
2
이다.
💡 로그인하면 학습 진행률이 자동으로 저장되고, 북마크와 오답노트를 사용할 수 있습니다.
댓글
0/500
등록
이전
다음