2021년 토목기사 2회차 84번 - 기출문제 및 해설
문제 1
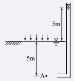
그림과 같은 지반에 재하순간 수주(水柱)가 지표면으로 부터 5m이었다. 20% 압밀이 일어난 후 지표면으로부터 수주의 높이는? (단, 물의 단위중량은 9.81kN/m³이다.)
1.
1m
2.
2m
3.
3m
4.
4m
💡 로그인하면 학습 진행률이 자동으로 저장되고, 북마크와 오답노트를 사용할 수 있습니다.
댓글
0/500
등록
이전
다음