2021년 토목기사 2회차 9번 - 기출문제 및 해설
문제 1
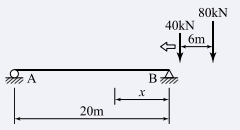
그림과 같이 2개의 집중하중이 단순보 위를 통과할 때 절대최대 휨모멘트의 크기(
M
m
a
x
M_{max}
M
ma
x
)와 발생위치(
x
x
x
)는?
1.
M
m
a
x
=
362
k
N
⋅
m
,
x
=
8
m
M_{max}=362kN · m, x=8m
M
ma
x
=
362
k
N
⋅
m
,
x
=
8
m
2.
M
m
a
x
=
382
k
N
⋅
m
,
x
=
8
m
M_{max}=382kN · m, x=8m
M
ma
x
=
382
k
N
⋅
m
,
x
=
8
m
3.
M
m
a
x
=
486
k
N
⋅
m
,
x
=
9
m
M_{max}=486kN · m, x=9m
M
ma
x
=
486
k
N
⋅
m
,
x
=
9
m
4.
M
m
a
x
=
506
k
N
⋅
m
,
x
=
9
m
M_{max}=506kN · m, x=9m
M
ma
x
=
506
k
N
⋅
m
,
x
=
9
m
💡 로그인하면 학습 진행률이 자동으로 저장되고, 북마크와 오답노트를 사용할 수 있습니다.
이전
다음