2017년 토목기사 1회차 77번 - 기출문제 및 해설
문제 1
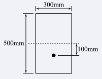
그림과 같은 단면을 갖는 지간 10m의 PSC보에 PS 강재가 100mm의 편심거리를 가지고 직선배치 되어있다. 자중을 포함한 계수등분포하중 16kN/m가 보에 작용할 , 보 중앙단면 콘크리트 상연응력은 얼마인가? (단, 유효프리스트레스 힘
P
e
=
2400
k
N
P_e=2400kN
P
e
=
2400
k
N
)
1.
11.2MPa
2.
12.8MPa
3.
13.6MPa
4.
14.9MPa
💡 로그인하면 학습 진행률이 자동으로 저장되고, 북마크와 오답노트를 사용할 수 있습니다.
댓글
0/500
등록
이전
다음