2017년 토목기사 1회차 68번 - 기출문제 및 해설

문제 1

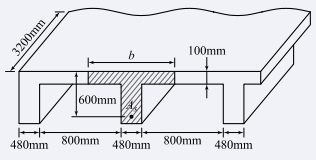
아래 그림에서 빗금 친 대칭 T형보의 공칭모멘트강도 (MnM_n)는? (단, 경간은 3200mm,As=7094mm2,fck=28MPa,fy=400MPa3200mm, A_s=7094mm^2, f_{ck}=28MPa, f_y=400MPa)