2017년 토목기사 1회차 13번 - 기출문제 및 해설
문제 1
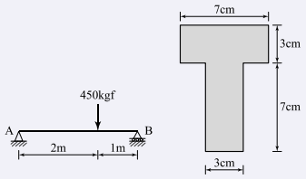
아래 그림과 같은 하중을 받는 단순보에 발생하는 최대전단응력은?
1.
44.8 kg/cm²
2.
34.8 kg/cm²
3.
24.8 kg/cm²
4.
14.8 kg/cm²
💡 로그인하면 학습 진행률이 자동으로 저장되고, 북마크와 오답노트를 사용할 수 있습니다.
이전
다음