2014년 토목기사 1회차 77번 - 기출문제 및 해설
문제 1
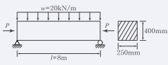
경간이 8m인 PSC보에 계수등분포하중 w=20kN/m가 작용할 때 중앙 단면 콘크리트 하연에서의 응력이 0이 되려면 강재에 줄 프리스트레스힘 P는 얼마인가? (단, PS강재는 콘크리트 도심에 배치되어 있음)
1.
P=2000kN
2.
P=2200kN
3.
P=2400kN
4.
P=2600kN
💡 로그인하면 학습 진행률이 자동으로 저장되고, 북마크와 오답노트를 사용할 수 있습니다.
이전
다음