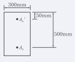
문제 1
복철근 직사각형 보의
{A_8}'=1916mm^2, A_8=4790mm^2
이다. 등가 직사각형 블록의 응력 깊이(a)는? (단,
f_{ck}
=21MPa,
f_y
=300MPa)
1.
153mm
2.
161mm
3.
176mm
4.
185mm
💡 로그인하면 학습 진행률이 자동으로 저장되고, 북마크와 오답노트를 사용할 수 있습니다.
이전
다음