2014년 토목기사 1회차 66번 - 기출문제 및 해설
문제 1
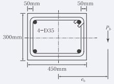
그림과 같은 띠철근 단주의 균형상태에서 축방향 공칭하중(
P
b
P_b
P
b
)은 얼마인가? (단,
f
c
k
f_{ck}
f
c
k
= 27MPa,
f
y
f_y
f
y
= 400MPa,
A
8
t
A_{8t}
A
8
t
= 4-D35 = 3800mm²)
1.
1328.2 kN
2.
1520.0 kN
3.
3645.2 kN
4.
5165.3 kN
💡 로그인하면 학습 진행률이 자동으로 저장되고, 북마크와 오답노트를 사용할 수 있습니다.
이전
다음