문제 1
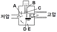
다음 [그림]은 압력조정기의 기본 구조이다. 옳은 것으로만 나열된 것은?
1.
A : 다이아프램, B : 안전장치용 스프링
2.
B : 안전장치용 스프링, C : 압력조정용 스프링
3.
C : 압력조정용 스프링, D : 레버
4.
D : 레버, E : 감압실
💡 로그인하면 학습 진행률이 자동으로 저장되고, 북마크와 오답노트를 사용할 수 있습니다.
이전
다음