2014년 가스산업기사 1회차 73번 - 기출문제 및 해설
문제 1
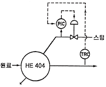
스팀을 사용하여 원료가스를 가열하기 위하여 [그림]과 같이 제어계를 구성하였다. 이 중 온도를 제어 하는 방식은?
1.
Feedback
2.
Forward
3.
Cascade
4.
비례식
💡 로그인하면 학습 진행률이 자동으로 저장되고, 북마크와 오답노트를 사용할 수 있습니다.
이전
다음