2014년 건축기사 4회차 55번 - 기출문제 및 해설
문제 1
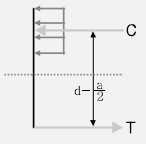
강도설계법에서 의한 단철근 직사각형 보의 응력도를 나타낸 것이다. 응력중심간 거리
(
d
−
a
2
)
\left(d-
\frac{a}
{2}\right)
(
d
−
2
a
)
로 옳은 것은? (단,
A
s
=
1
,
161
m
m
2
,
b
=
300
m
m
,
d
=
540
m
m
,
f
c
k
=
21
M
P
a
,
f
y
=
300
M
P
a
)
A_s=1,161
m
m
\mathrm{mm}
mm
^2, b=300
m
m
\mathrm{mm}
mm
, d=540
m
m
\mathrm{mm}
mm
, f_{c k}=21
M
P
a
\mathrm{MPa}
MPa
, f_y=300
M
P
a
\mathrm{MPa}
MPa
)
A
s
=
1
,
161
mm
2
,
b
=
300
mm
,
d
=
540
mm
,
f
c
k
=
21
MPa
,
f
y
=
300
MPa
)
1.
507
m
m
507mm
507
mm
2.
524
m
m
524mm
524
mm
3.
486
m
m
486mm
486
mm
4.
472
m
m
472mm
472
mm
💡 로그인하면 학습 진행률이 자동으로 저장되고, 북마크와 오답노트를 사용할 수 있습니다.
이전
다음