2014년 건축기사 4회차 51번 - 기출문제 및 해설
문제 1
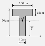
그림과 같은
T
\rm T
T
형 단면에서
x
x
x
축으로부터 단면의 중심
G
G
G
점까지의 거리
y
ˉ
y
ˉ
\bar{y}
y
ˉ
y
ˉ
는?
1.
15
c
m
15cm
15
c
m
2.
30
c
m
30cm
30
c
m
3.
37.5
c
m
37.5cm
37.5
c
m
4.
41.25
c
m
41.25cm
41.25
c
m
💡 로그인하면 학습 진행률이 자동으로 저장되고, 북마크와 오답노트를 사용할 수 있습니다.
이전
다음