2014년 건축기사 1회차 32번 - 기출문제 및 해설
문제 1
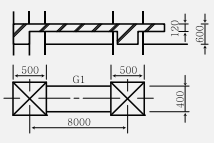
그림과 같은 도면에서
G
1
\rm G_1
G
1
과 같은 보가
8
8
8
개 있는 건물에서 보의 콘크리트량으로 적당한 것은? (단, 보의 단면상 슬래브와 겹치는 부분은 제외하며, 철근량은 고려하지 않는다.)
1.
11.52
m
3
11.52m^3
11.52
m
3
2.
12.23
m
3
12.23m^3
12.23
m
3
3.
13.44
m
3
13.44m^3
13.44
m
3
4.
15.36
m
3
15.36m^3
15.36
m
3
💡 로그인하면 학습 진행률이 자동으로 저장되고, 북마크와 오답노트를 사용할 수 있습니다.
댓글
0/500
등록
이전
다음