2015년 토목기사 4회차 88번 - 기출문제 및 해설
문제 1
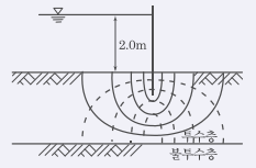
그림의 유선망에 대한 설명 중 틀린 것은?(단, 흙의 투수계수는
2.5
×
10
−
3
c
m
/
s
2.5\times 10^{-3}cm/s
2.5
×
1
0
−
3
c
m
/
s
이다.)
1.
유선의 수=6
2.
등수두선의수=6
3.
유로의 수=5
4.
전침투유량 Q=0.278m³/sec
💡 로그인하면 학습 진행률이 자동으로 저장되고, 북마크와 오답노트를 사용할 수 있습니다.
이전
다음