2022년 전기기사 3회차 25번 - 기출문제 및 해설
문제 1
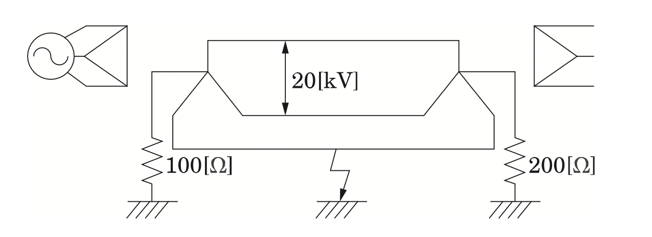
그림과 같이 송전단 및 수전단의 변압기를
△
−
Y
\bigtriangleup-Y
△
−
Y
및
Y
−
△
Y-\bigtriangleup
Y
−
△
로 접속한 선간전압
20
[
k
V
]
20[kV]
20
[
kV
]
의 3상 송전선이 있다. 중성점은 각각
100
[
Ω
]
,
200
[
Ω
]
100[Ω], 200 [Ω]
100
[
Ω
]
,
200
[
Ω
]
의 저항접지이고 송전선의 1선이 그림과 같이 지락된 경우의 지락전류는 몇
[
A
]
[A]
[
A
]
인가? (단, 주어 지지 않은 기타 값들은 무시하고 계산한다.)
1.
56.5
2.
86.6
3.
110
4.
173
💡 로그인하면 학습 진행률이 자동으로 저장되고, 북마크와 오답노트를 사용할 수 있습니다.
이전
다음