2022년 전기기사 2회차 10번 - 기출문제 및 해설
문제 1
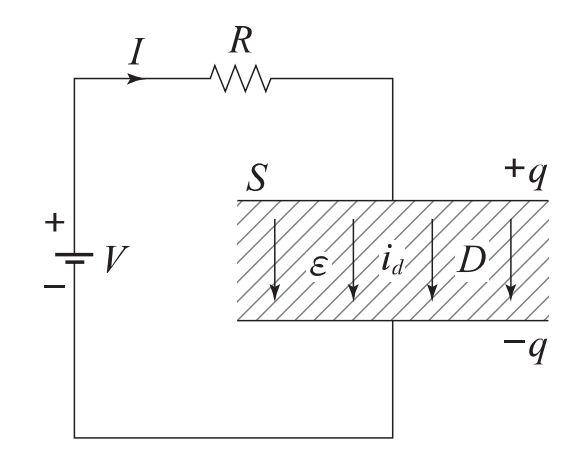
그림은 커패시터의 유전체 내에 흐르는 변위전류를 보여준다. 커패시터의 전극 면적을
S
[
m
2
]
,
S[m^2],
S
[
m
2
]
,
전극에 축적된 전하를
q
[
C
]
,
q[C],
q
[
C
]
,
전극의 표면전하 밀도를
σ
[
C
/
m
2
]
,
σ[C/m^2],
σ
[
C
/
m
2
]
,
전극 사이의 전속밀도를
D
[
C
/
m
2
]
D[C/m^2]
D
[
C
/
m
2
]
라 하면 변위전류밀도
i
d
[
A
/
m
2
]
i_d[A/m^2]
i
d
[
A
/
m
2
]
는?
1.
∂
D
∂
t
\frac{\partial D}
{\partial t}
∂
t
∂
D
2.
∂
q
∂
t
\frac{\partial q}
{\partial t}
∂
t
∂
q
3.
S
∂
D
∂
t
S
\frac{\partial D}
{\partial t}
S
∂
t
∂
D
4.
1
S
∂
D
∂
t
\frac{1}
{S}
\frac{\partial D}
{\partial t}
S
1
∂
t
∂
D
💡 로그인하면 학습 진행률이 자동으로 저장되고, 북마크와 오답노트를 사용할 수 있습니다.
이전
다음