2008년 전기기사 1회차 61번 - 기출문제 및 해설

문제 1

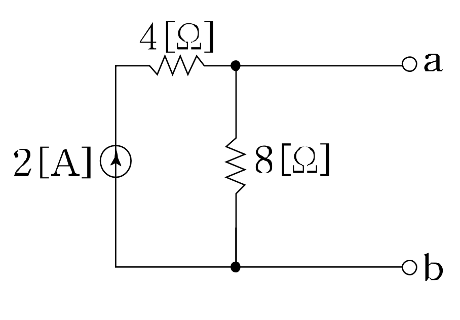
회로를 테브난(Thevenin)의 등가회로로 변환하려고 한다. 이때 테브난의 등가저항RT[Ω]R_T [Ω]와 등가전압 VT[V]V_T[V]는?