2007년 전기기사 3회차 68번 - 기출문제 및 해설
문제 1
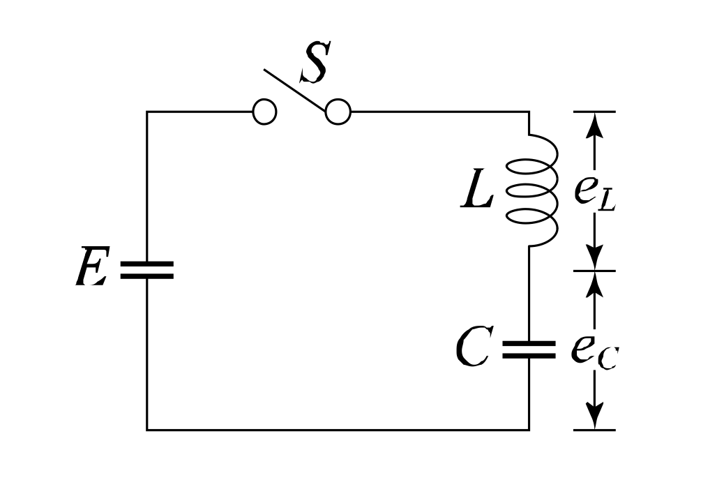
그림과 같은 직류 LC 직렬회로에 대한 설명 중 옳은 것은?
1.
e
L
e_L
e
L
은 진동함수이나
e
C
e_C
e
C
는 진동하지 않는다.
2.
e
L
e_L
e
L
의 최대치는
2
E
2E
2
E
까지 될 수 있다.
3.
e
C
e_C
e
C
의 최대치가
2
E
2E
2
E
까지 될 수 있다
4.
C
C
C
의 충전전하
q
q
q
는 시간
t
t
t
에 무관하다.
💡 로그인하면 학습 진행률이 자동으로 저장되고, 북마크와 오답노트를 사용할 수 있습니다.
이전
다음