2007년 전기기사 3회차 65번 - 기출문제 및 해설
문제 1
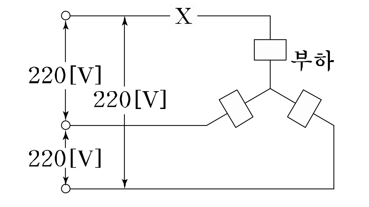
그림과 같은 성형 평형부하가 선간 전압
220
[
V
]
220[V]
220
[
V
]
의 대칭 3상 전원에 접속되어 있다. 이 접속선 중에 한선이 X점에서 단선 되었다고 하면 이 단선점 X의 양단에 나타나는 전압은 몇
[
V
]
[V]
[
V
]
인가? (단, 전원전압은 변화하지 않는 것으로 한다.)
1.
110
110
110
2.
110
3
110
3
\sqrt{3}
3
110
3
3.
220
220
220
4.
220
3
220
3
\sqrt{3}
3
220
3
💡 로그인하면 학습 진행률이 자동으로 저장되고, 북마크와 오답노트를 사용할 수 있습니다.
이전
다음