2006년 전기기사 3회차 67번 - 기출문제 및 해설

문제 1

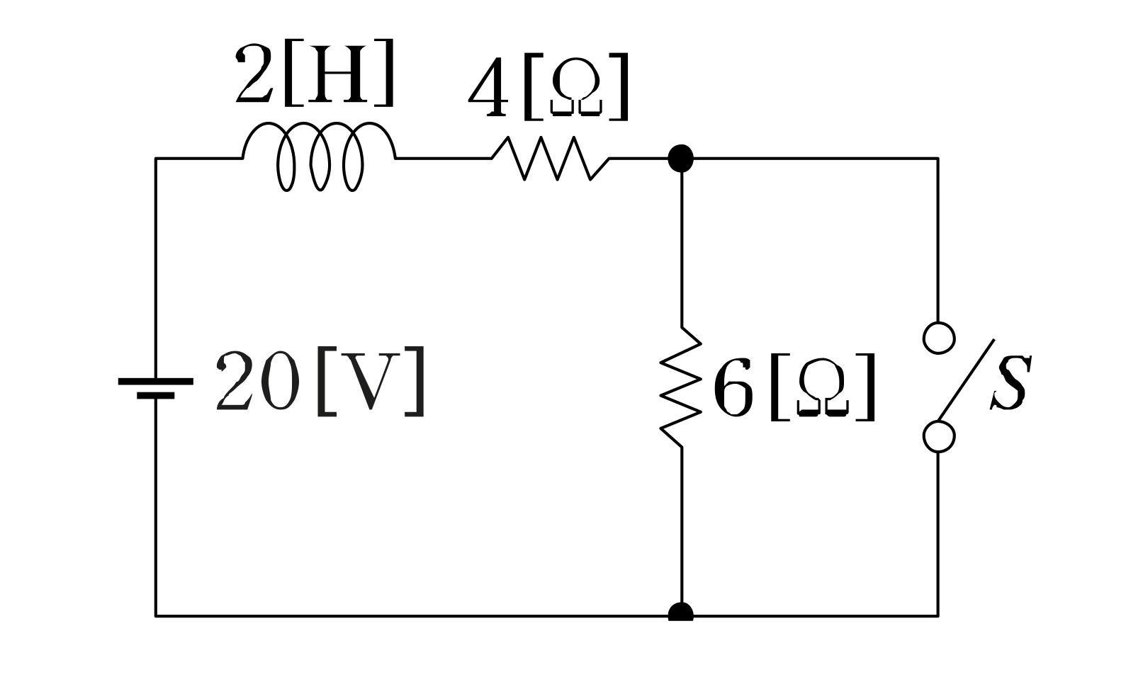
그림과 같은 회로에서 처음에 스위치 SS가 닫힌 상태에서 회로에 정상전류가 흐르고 있었다. t=0t=0에서 스위치 SS를 연다면 회로의 전류는?