2009년 전기기사 3회차 67번 - 기출문제 및 해설
문제 1
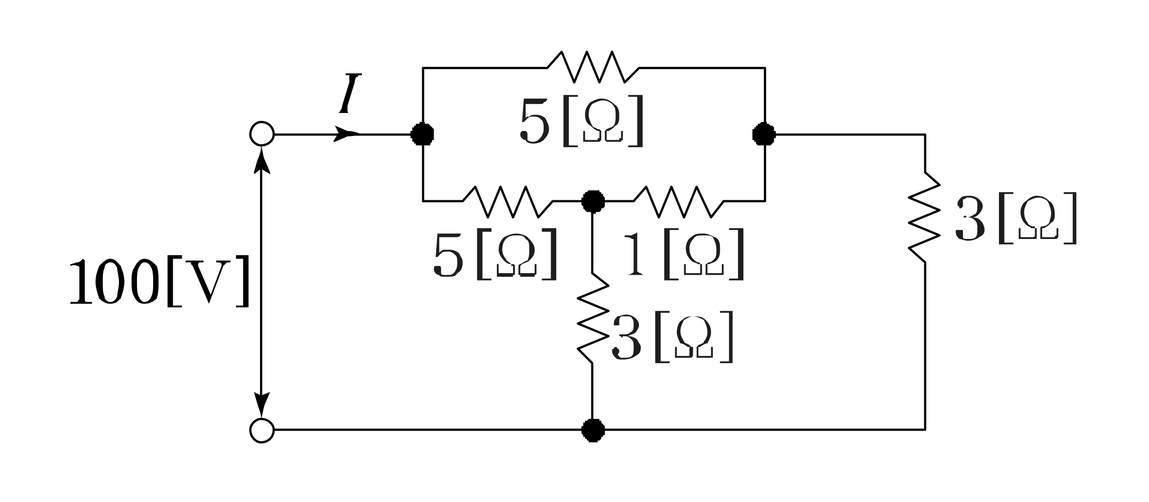
다음 회로에서 전류
I
I
I
는 몇
[
A
]
[A]
[
A
]
인가?
1.
50
[
A
]
50[A]
50
[
A
]
2.
25
[
A
]
25[A]
25
[
A
]
3.
12.5
[
A
]
12.5[A]
12.5
[
A
]
4.
10
[
A
]
10[A]
10
[
A
]
💡 로그인하면 학습 진행률이 자동으로 저장되고, 북마크와 오답노트를 사용할 수 있습니다.
이전
다음