2021년 건축기사 2회차 55번 - 기출문제 및 해설
문제 1
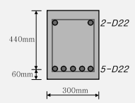
보통중량콘크리트를 사용한 그림과 같은 보의 단면에서 외력에 의해 휨균열을 일으키는 균열모멘트(
M
c
r
M_{c r}
M
cr
) 값으로 옳은 것은? (단,
f
c
k
=
27
M
P
a
,
f
y
=
400
M
P
a
f_{c k}=27
M
P
a
\mathrm{MPa}
MPa
, f_y=400
M
P
a
\mathrm{MPa}
MPa
f
c
k
=
27
MPa
,
f
y
=
400
MPa
, 철근은 개략적으로 도시되었음)
1.
29.5
k
N
⋅
m
29.5kN\cdot m
29.5
k
N
⋅
m
2.
34.7
k
N
⋅
m
34.7kN\cdot m
34.7
k
N
⋅
m
3.
40.9
k
N
⋅
m
40.9kN\cdot m
40.9
k
N
⋅
m
4.
52.4
k
N
⋅
m
52.4kN\cdot m
52.4
k
N
⋅
m
💡 로그인하면 학습 진행률이 자동으로 저장되고, 북마크와 오답노트를 사용할 수 있습니다.
이전
다음