2010년 전기기사 3회차 61번 - 기출문제 및 해설
문제 1
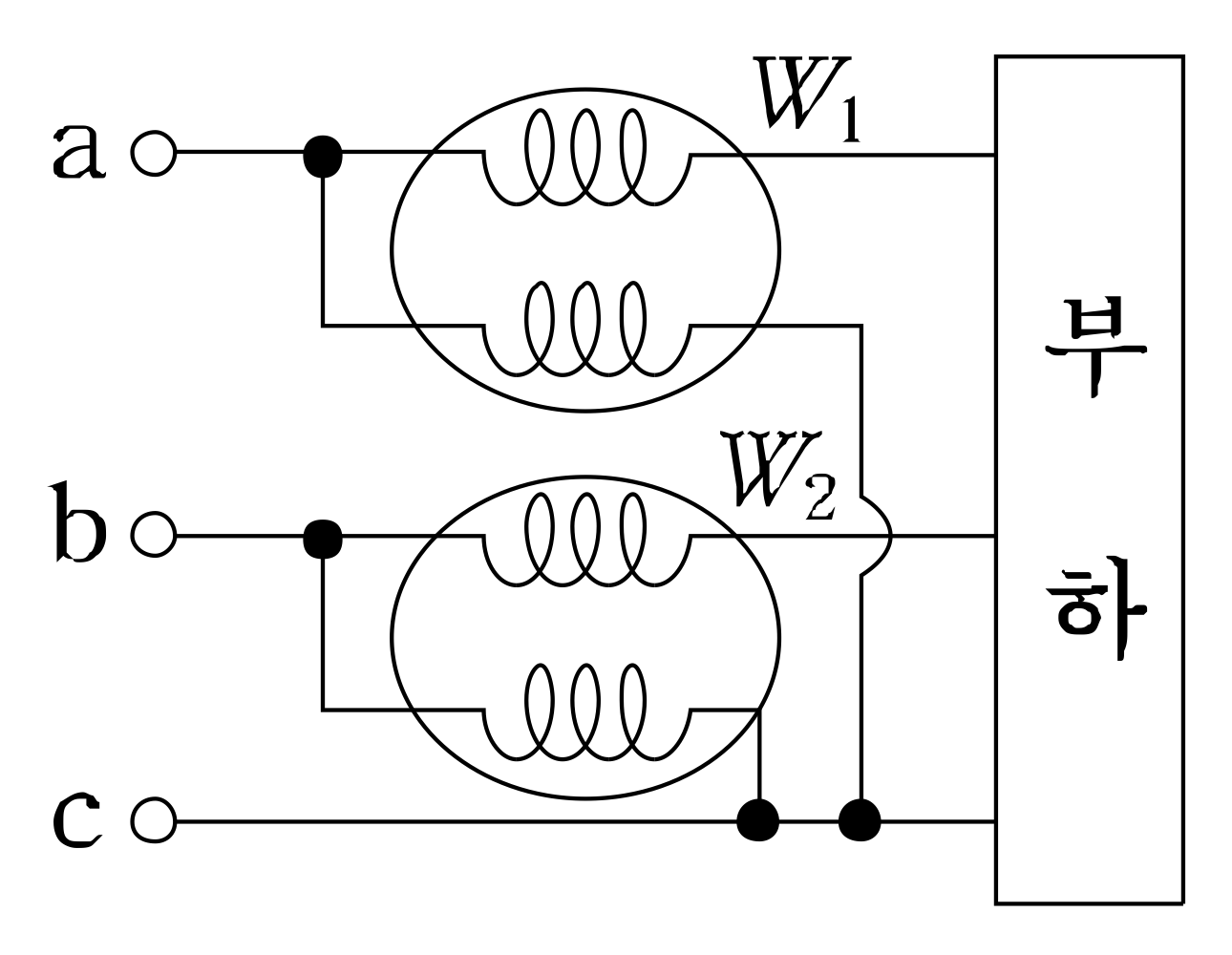
다음 그림과 같이 2개의 전력계에 의한 3상 전력 측정 시전 3상 전력 [W]는?
1.
3
(
∣
W
1
∣
+
∣
W
2
∣
)
3
\sqrt{3}
3
(|W_1|+|W_2|)
3
(
∣
W
1
∣
+
∣
W
2
∣
)
2.
3
(
∣
W
1
∣
+
∣
W
2
∣
)
3(|W_1|+|W_2|)
3
(
∣
W
1
∣
+
∣
W
2
∣
)
3.
∣
W
1
∣
+
∣
W
2
∣
|W_1|+|W_2|
∣
W
1
∣
+
∣
W
2
∣
4.
W
1
2
+
W
2
2
\sqrt{{W_1}
^2 +{W_2}^2}
W
1
2
+
W
2
2
💡 로그인하면 학습 진행률이 자동으로 저장되고, 북마크와 오답노트를 사용할 수 있습니다.
이전
다음