2010년 전기기사 1회차 70번 - 기출문제 및 해설
문제 1
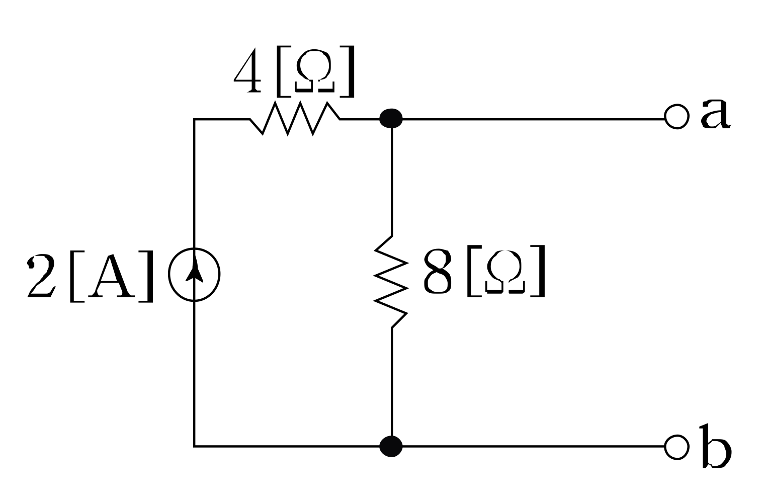
다음 회로를 테브낭(Thevenin)의 등가회로로 변환할 때 테브낭의 등가저항
R
T
[
Ω
]
R_T[\Omega]
R
T
[
Ω
]
과 등가전압
V
T
[
V
]
V_T[V]
V
T
[
V
]
는?
1.
R
T
=
8
3
,
V
T
=
8
R_T=
\frac{8}
{3}, V_T=8
R
T
=
3
8
,
V
T
=
8
2.
R
T
=
8
,
V
T
=
12
R_T=8, V_T=12
R
T
=
8
,
V
T
=
12
3.
R
T
=
8
,
V
T
=
16
R_T=8, V_T=16
R
T
=
8
,
V
T
=
16
4.
R
T
=
8
3
,
V
T
=
16
R_T=
\frac{8}
{3}, V_T=16
R
T
=
3
8
,
V
T
=
16
💡 로그인하면 학습 진행률이 자동으로 저장되고, 북마크와 오답노트를 사용할 수 있습니다.
이전
다음