2011년 전기기사 3회차 33번 - 기출문제 및 해설
문제 1
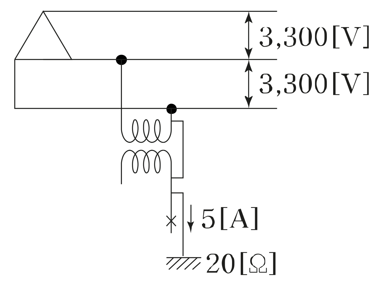
그림과 같이
3
,
300
V
3,300V
3
,
300
V
, 비접지식 배전선로에 접속된 주상변압기의 1차와 2차간에 고저압 혼촉 고장이 발생하였을 경우, X표시 한부분의 대지 전위는 몇
[
V
]
[V]
[
V
]
인가? (단, 접지 저항은
20
[
Ω
]
20[Ω]
20
[
Ω
]
, 접지 저항에 흐르는 지락전류는
5
[
A
]
5[A]
5
[
A
]
이다.)
1.
3
,
300
3
\frac{3,300}
{
3
\sqrt{3}
3
}
3
3
,
300
2.
3
,
300
3
3,300
3
\sqrt{3}
3
3
,
300
3
3.
3,300
4.
100
💡 로그인하면 학습 진행률이 자동으로 저장되고, 북마크와 오답노트를 사용할 수 있습니다.
이전
다음