문제 1
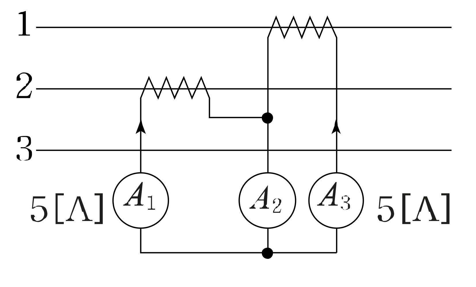
평형 3상 회로에서 그림과 같이 변류기를 접속하고 전류계를 연결하였을 때,
A_2
에 흐르는 전류는 약 몇
[A]
인가?
1.
0
2.
5
3.
8.66
4.
10
💡 로그인하면 학습 진행률이 자동으로 저장되고, 북마크와 오답노트를 사용할 수 있습니다.
이전
다음