2014년 전기기사 2회차 41번 - 기출문제 및 해설
문제 1
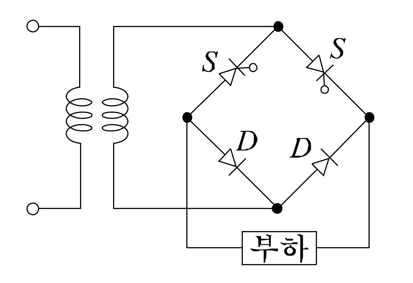
그림과 같은 단상 브리지 정류회로(혼합 브리지)에서 직류 평균 전압[
V
V
V
]은?(단,
E
E
E
는 교류측 실효치 전압,
α
α
α
는 점호어각이다.)
1.
2
2
E
π
(
1
+
c
o
s
α
2
)
\frac{2\sqrt{2}
E}{\pi}(
\frac{1+cos \alpha}
{2})
π
2
2
E
(
2
1
+
cos
α
)
2.
2
E
π
(
1
+
c
o
s
α
2
)
\frac{\sqrt{2}
E}{\pi}(
\frac{1+cos \alpha}
{2})
π
2
E
(
2
1
+
cos
α
)
3.
2
2
E
π
(
1
−
c
o
s
α
2
)
\frac{2\sqrt{2}
E}{\pi}(
\frac{1-cos \alpha}
{2})
π
2
2
E
(
2
1
−
cos
α
)
4.
2
E
π
(
1
−
c
o
s
α
2
)
\frac{\sqrt{2}
E}{\pi}(
\frac{1-cos \alpha}
{2})
π
2
E
(
2
1
−
cos
α
)
💡 로그인하면 학습 진행률이 자동으로 저장되고, 북마크와 오답노트를 사용할 수 있습니다.
댓글
0/500
등록
이전
다음