2014년 전기기사 2회차 27번 - 기출문제 및 해설
문제 1
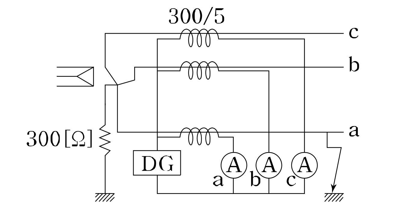
그림과 같은
66
k
V
66kV
66
kV
선로의 송전전력이
20000
k
W
20000kW
20000
kW
, 역률이
0.8
(
l
a
g
)
0.8(lag)
0.8
(
l
a
g
)
일 때 a상에 완전 지락사고가 발생하였다. 지락 계전기 DG에 흐르는 전류는 약 몇
A
A
A
인가? (단, 부하의 정상, 역상 임피던스 및 기타 정수는 무시한다.)
1.
2.1
2.
2.9
3.
3.7
4.
5.5
💡 로그인하면 학습 진행률이 자동으로 저장되고, 북마크와 오답노트를 사용할 수 있습니다.
댓글
0/500
등록
이전
다음