2013년 전기기사 3회차 7번 - 기출문제 및 해설
문제 1
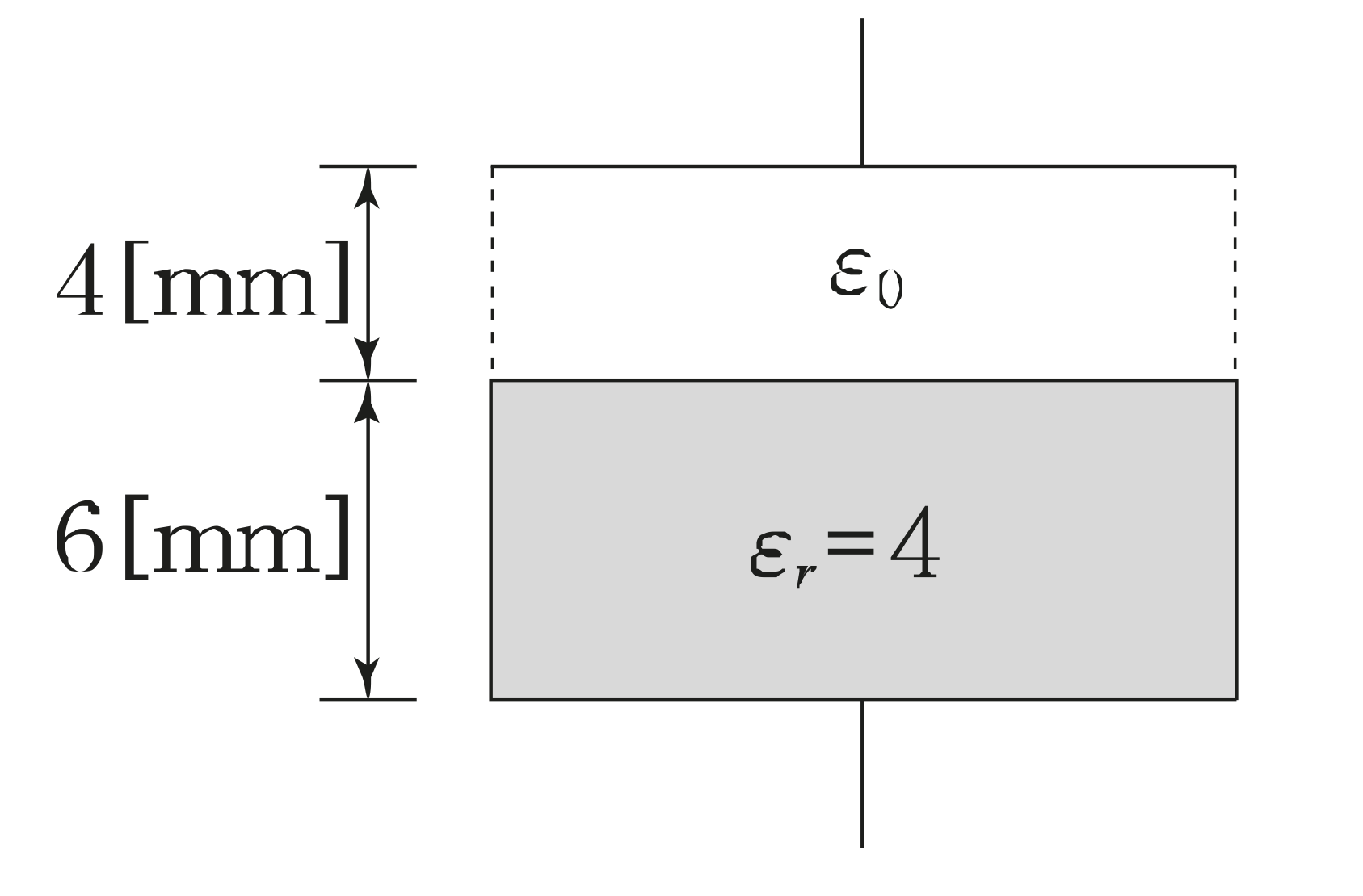
한 변의 길이가
500
[
m
m
]
500[mm]
500
[
mm
]
인 정사격형 평행 평판 2장이
10
[
m
m
]
10 [mm]
10
[
mm
]
간격으로 놓여 있고 그림과 같이 유전율이 다른 2개의 유전체로 채워진 경우 합성용량은 약 몇
[
p
F
]
[pF]
[
pF
]
인가?
1.
402
2.
922
3.
2028
4.
4228
💡 로그인하면 학습 진행률이 자동으로 저장되고, 북마크와 오답노트를 사용할 수 있습니다.
이전
다음