2015년 전기기사 2회차 67번 - 기출문제 및 해설

문제 1

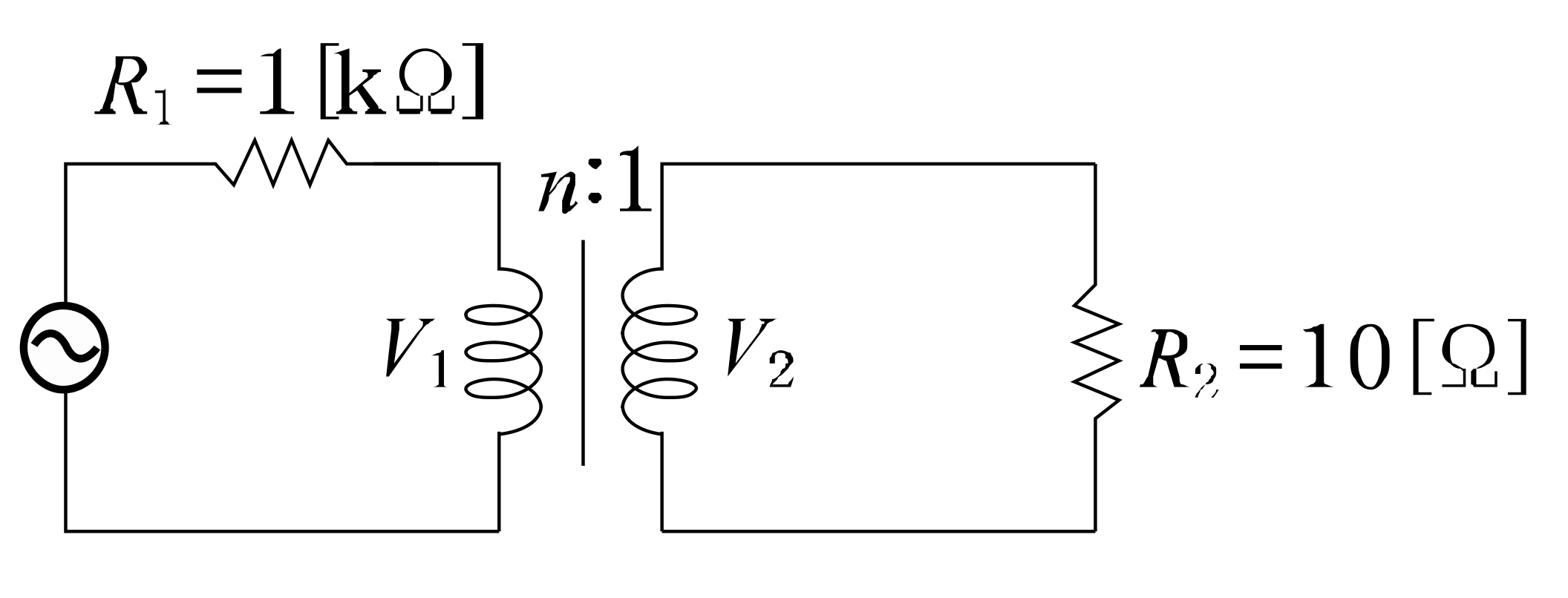
전원측 저항 1kΩ1kΩ, 부하저항 10Ω10Ω 일 때, 이것에 변압비 n:1의 이상 변압기를 사용하여 정합을 취하려 한다. n의 값으로 옳은 것은?