2015년 전기기사 3회차 43번 - 기출문제 및 해설
문제 1
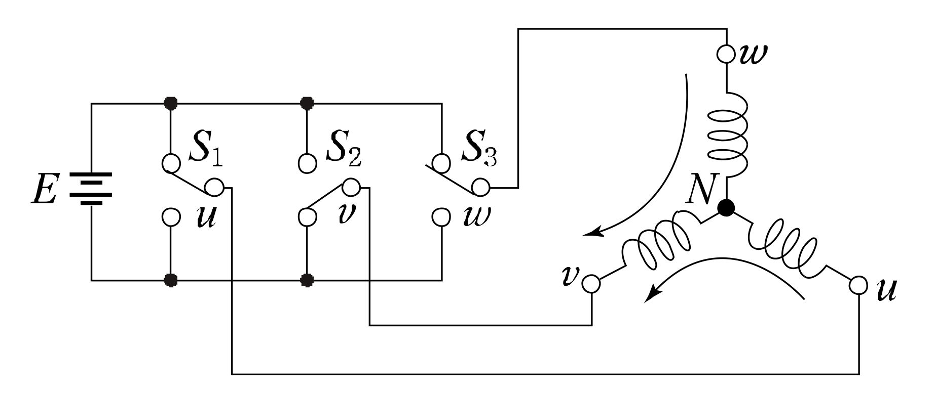
그림과 같이 180° 도통형 인버터의 상태일 때 u상과 v상의 상전압 및 u-v 선간전압은?
1.
1
3
E
,
(
−
2
3
E
)
,
E
\frac{1}
{3}E, (-
\frac{2}
{3}E), E
3
1
E
,
(
−
3
2
E
)
,
E
2.
2
3
E
,
1
3
E
,
1
3
E
\frac{2}
{3}E,
\frac{1}
{3}E,
\frac{1}
{3}E
3
2
E
,
3
1
E
,
3
1
E
3.
1
2
E
,
1
2
E
,
E
\frac{1}
{2}E,
\frac{1}
{2}E, E
2
1
E
,
2
1
E
,
E
4.
1
3
E
,
2
3
E
,
1
3
E
\frac{1}
{3}E,
\frac{2}
{3}E,
\frac{1}
{3} E
3
1
E
,
3
2
E
,
3
1
E
💡 로그인하면 학습 진행률이 자동으로 저장되고, 북마크와 오답노트를 사용할 수 있습니다.
이전
다음