2013년 전기기사 1회차 67번 - 기출문제 및 해설
문제 1
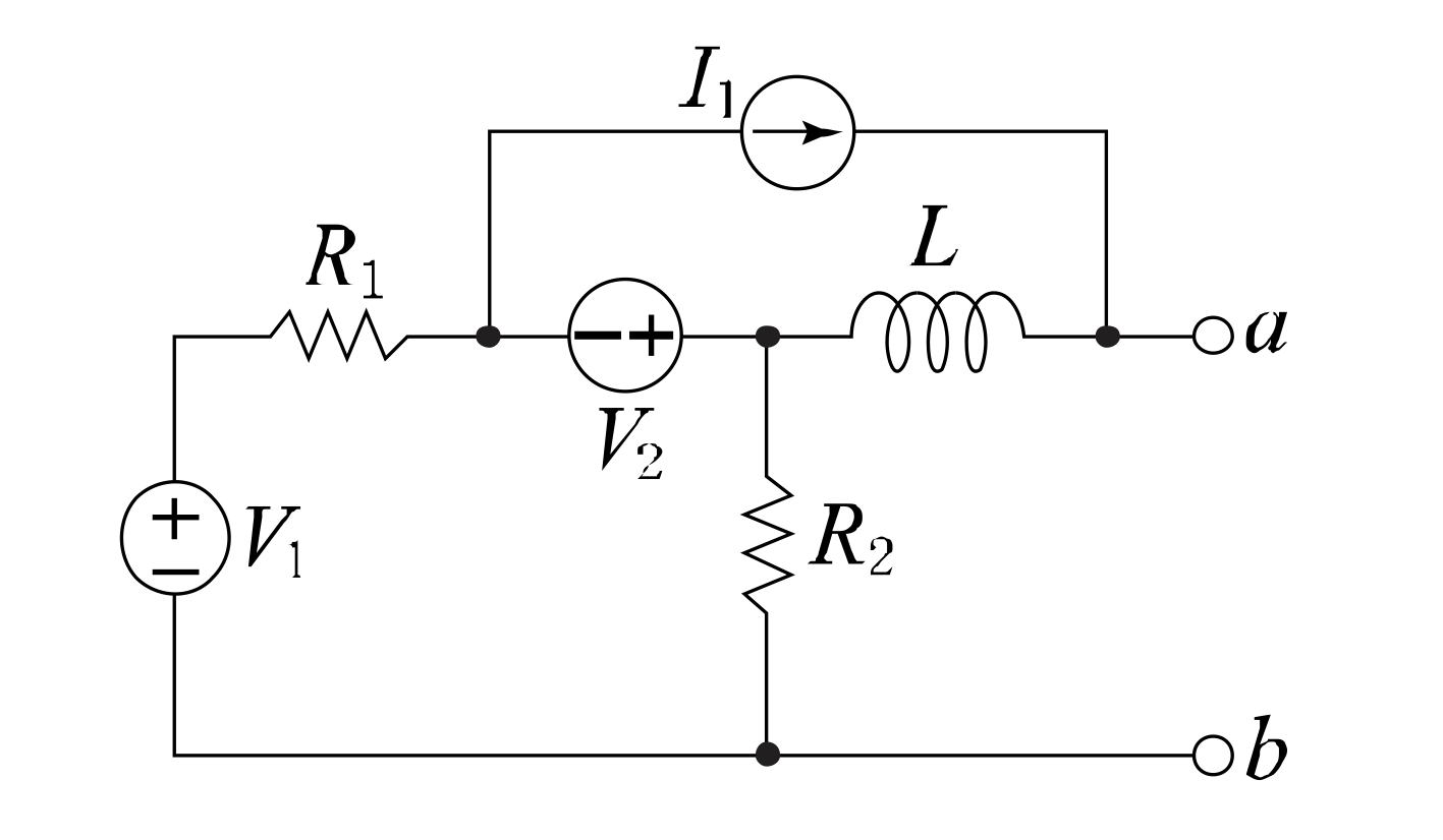
회로망 출력단자 a-b에서 바라본 등가 임피던스는?
(
단
,
V
1
=
6
[
V
]
,
V
2
=
3
[
V
]
,
I
1
=
10
[
A
]
,
R
1
=
15
[
Ω
]
,
R
2
=
10
[
Ω
]
,
L
=
2
[
H
]
,
j
w
=
s
이다
.
)
(단, V_1=6[V], V_2=3[V], I_1=10[A], R_1=15[\Omega], R_2=10[\Omega], L=2[H], jw=s 이다.)
(
단
,
V
1
=
6
[
V
]
,
V
2
=
3
[
V
]
,
I
1
=
10
[
A
]
,
R
1
=
15
[
Ω
]
,
R
2
=
10
[
Ω
]
,
L
=
2
[
H
]
,
j
w
=
s
이다
.
)
1.
1
s
+
3
\frac{1}
{s+3}
s
+
3
1
2.
s
+
15
s+15
s
+
15
3.
3
s
+
2
\frac{3}
{s+2}
s
+
2
3
4.
2
s
+
6
2s+6
2
s
+
6
💡 로그인하면 학습 진행률이 자동으로 저장되고, 북마크와 오답노트를 사용할 수 있습니다.
이전
다음