2012년 전기기사 2회차 16번 - 기출문제 및 해설
문제 1
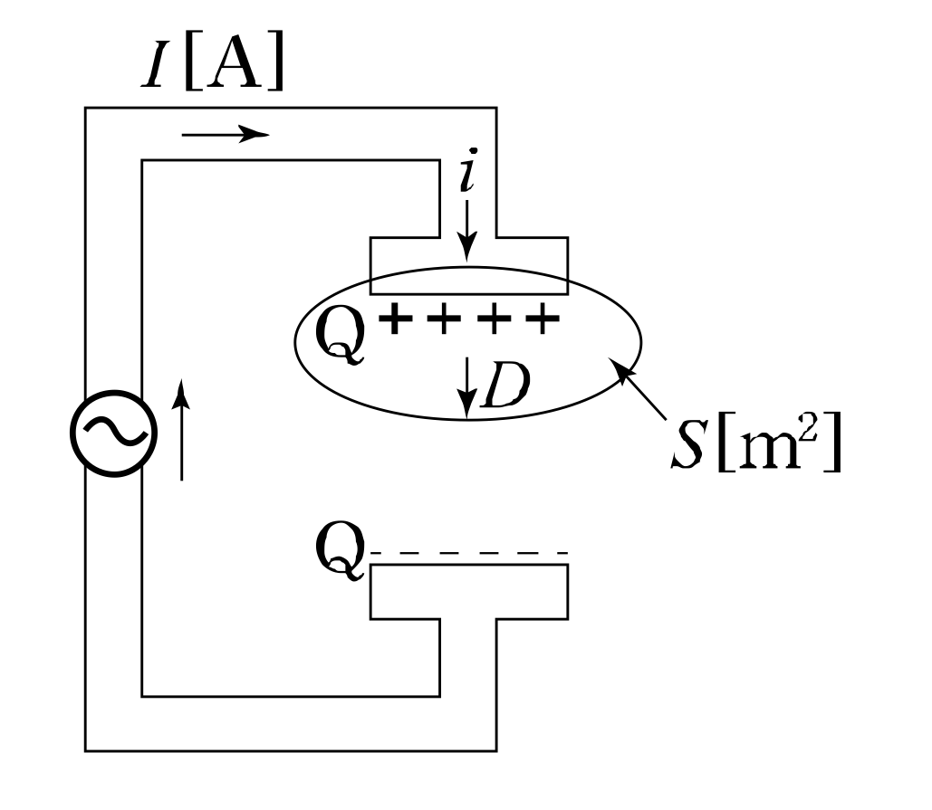
그림과 같이 평행판 콘덴서에 교류전원을 접속할 때 전류의 연속성에 대하여 성립하는 식은?
(단,
E
E
E
: 전계, D : 전속 밀도,
ρ
ρ
ρ
: 체적전하밀도,
i
i
i
: 전도전류 밀도,
B
B
B
: 자속밀도,
t
t
t
: 시간이다.)
1.
▽
⋅
D
=
ρ
\bigtriangledown \cdot D = \rho
▽
⋅
D
=
ρ
2.
▽
×
E
=
−
∂
B
∂
t
\bigtriangledown \times E = -
\frac{\partial B}
{\partial t}
▽
×
E
=
−
∂
t
∂
B
3.
▽
⋅
(
i
+
∂
D
∂
t
)
=
0
\bigtriangledown \cdot (i+
\frac{\partial D}
{\partial t}) =0
▽
⋅
(
i
+
∂
t
∂
D
)
=
0
4.
▽
⋅
B
=
0
\bigtriangledown \cdot B = 0
▽
⋅
B
=
0
💡 로그인하면 학습 진행률이 자동으로 저장되고, 북마크와 오답노트를 사용할 수 있습니다.
이전
다음