2017년 전기기사 2회차 75번 - 기출문제 및 해설

문제 1

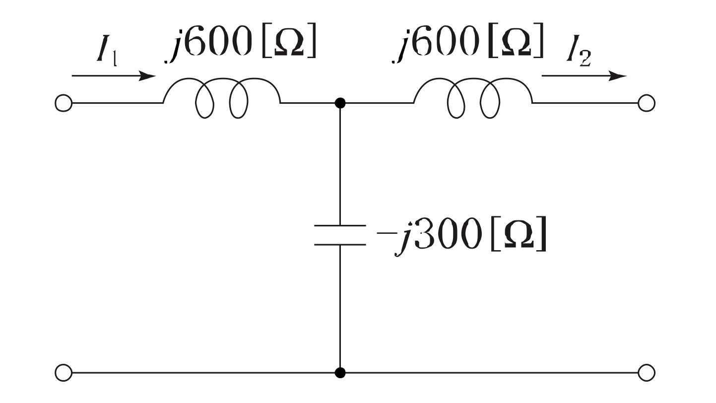
다음과 같은 회로망에서 영상파라미터(영상전달정수) θ\theta는?