2017년 전기기사 3회차 78번 - 기출문제 및 해설
문제 1
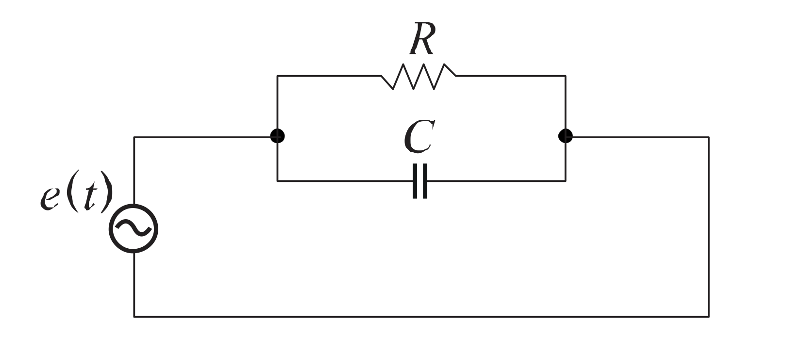
그림과 같은 R-C 병렬회로에서 전원전압이
e
(
t
)
=
3
e
−
5
t
e(t)=3e^{-5t}
e
(
t
)
=
3
e
−
5
t
인 경 우 이 회로의 임피던스는?
1.
j
ω
R
C
1
+
j
ω
R
C
\frac{j \omega RC}
{1+j \omega RC}
1
+
jω
RC
jω
RC
2.
R
1
−
5
R
C
\frac{R}
{1-5RC}
1
−
5
RC
R
3.
R
1
+
R
C
s
\frac{R}
{1+RCs}
1
+
RC
s
R
4.
1
+
j
ω
R
C
R
\frac{1+j \omega RC}
{R}
R
1
+
jω
RC
💡 로그인하면 학습 진행률이 자동으로 저장되고, 북마크와 오답노트를 사용할 수 있습니다.
이전
다음