2017년 전기기사 1회차 73번 - 기출문제 및 해설
문제 1
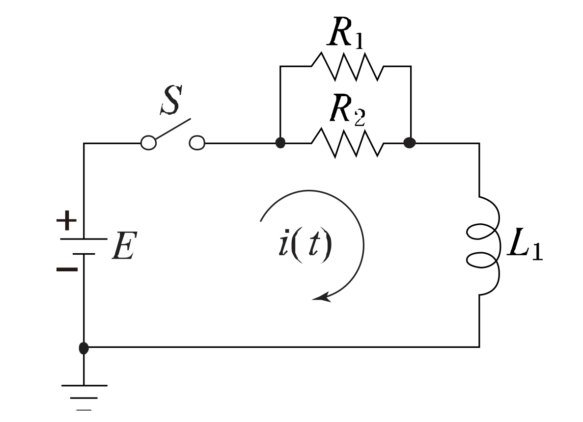
R
1
=
R
2
=
100
Ω
R_1=R_2=100Ω
R
1
=
R
2
=
100Ω
이며,
L
1
=
5
H
L_1=5H
L
1
=
5
H
인 회로에서 시정수는 몇
s
e
c
sec
sec
인가?
1.
0.001
0.001
0.001
2.
0.01
0.01
0.01
3.
0.1
0.1
0.1
4.
1
1
1
💡 로그인하면 학습 진행률이 자동으로 저장되고, 북마크와 오답노트를 사용할 수 있습니다.
이전
다음