2017년 전기기사 1회차 33번 - 기출문제 및 해설
문제 1
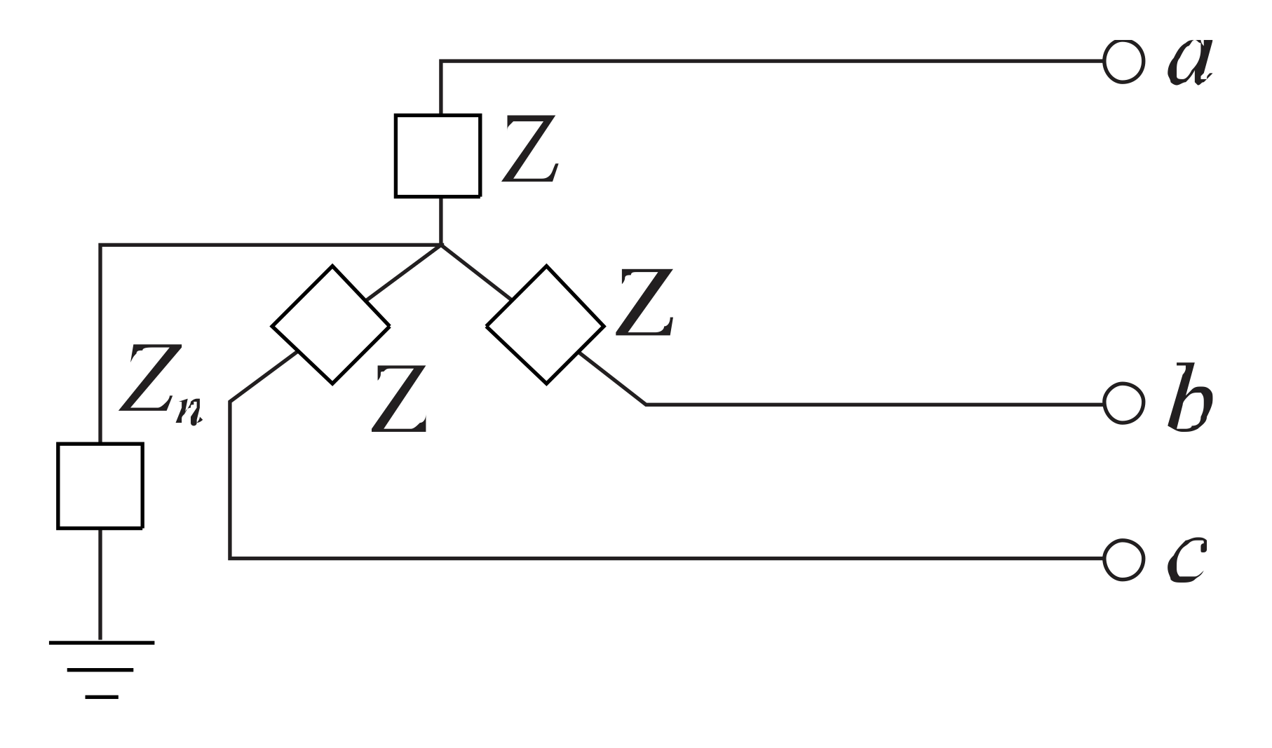
그림과 같은 회로의 영상, 정상, 역상 임피던스
Z
0
,
Z
1
,
Z
2
Z_0,Z_1, Z_2
Z
0
,
Z
1
,
Z
2
는?
1.
Z
0
=
Z
+
3
Z
n
,
Z_0=Z+3Z_n,
Z
0
=
Z
+
3
Z
n
,
Z
1
=
Z
2
=
Z
Z_1= Z_2=Z
Z
1
=
Z
2
=
Z
2.
Z
0
=
3
Z
n
,
Z_0=3Z_n,
Z
0
=
3
Z
n
,
Z
1
=
Z
,
Z
2
=
3
Z
Z_1=Z, Z_2=3Z
Z
1
=
Z
,
Z
2
=
3
Z
3.
Z
0
=
3
Z
+
Z
n
,
Z_0=3Z+Z_n,
Z
0
=
3
Z
+
Z
n
,
Z
1
=
3
Z
,
Z
2
=
Z
Z_1=3Z, Z_2=Z
Z
1
=
3
Z
,
Z
2
=
Z
4.
Z
0
=
Z
+
Z
n
,
Z_0=Z+Z_n,
Z
0
=
Z
+
Z
n
,
Z
1
=
Z
2
=
Z
+
3
Z
n
Z_1=Z_2=Z+3Z_n
Z
1
=
Z
2
=
Z
+
3
Z
n
💡 로그인하면 학습 진행률이 자동으로 저장되고, 북마크와 오답노트를 사용할 수 있습니다.
이전
다음