문제 1
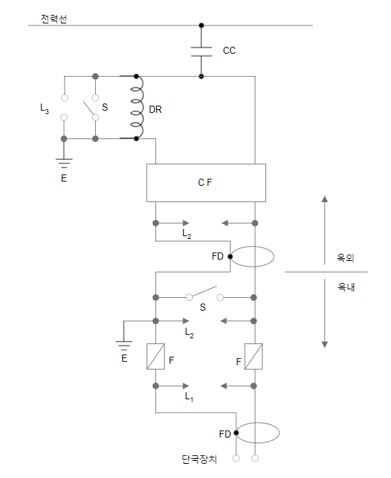
그림은 전력선 반송통신용 결합장치의 보안장치를 나타낸 것이다. S의 명칭으로 옳은 것은?
1.
동축 케이블
2.
결합 콘덴서
3.
접지용 개폐기
4.
구상용 방전갭
💡 로그인하면 학습 진행률이 자동으로 저장되고, 북마크와 오답노트를 사용할 수 있습니다.
이전
다음