2018년 전기기사 3회차 76번 - 기출문제 및 해설
문제 1
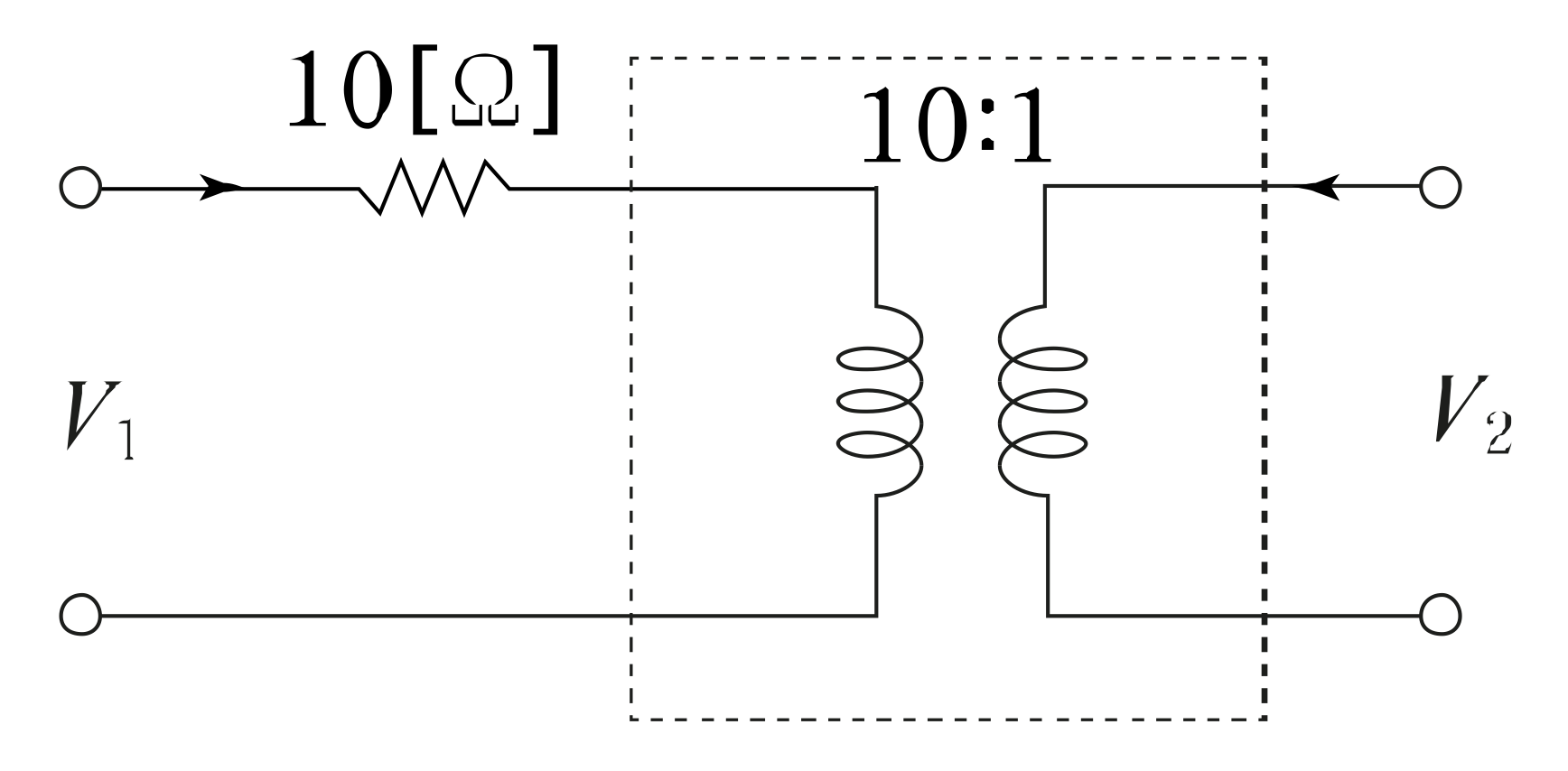
그림과 같이
10
Ω
10Ω
10Ω
의 저항에 권수비가 10:1의 결합회로를 연결했을 때 4단자 정수 A, B, C, D는?
1.
A=1, B=10, C=0, D=10
2.
A=10, B=1, C=0, D=10
3.
A=10, B=0, C=1, D=
1
10
\frac{1}
{10}
10
1
4.
A=10, B=1, C=0, D=
1
10
\frac{1}
{10}
10
1
💡 로그인하면 학습 진행률이 자동으로 저장되고, 북마크와 오답노트를 사용할 수 있습니다.
이전
다음