2019년 전기기사 1회차 56번 - 기출문제 및 해설
문제 1
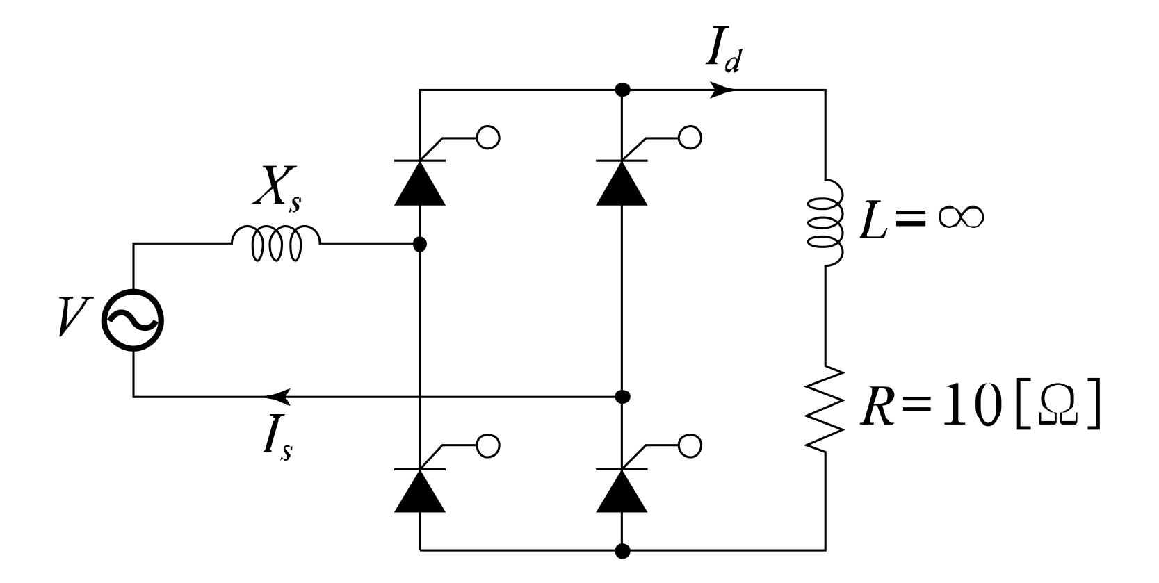
그림과 같은 회로에서
V
V
V
(전원전압의 실효치)=
100
[
V
]
100[V]
100
[
V
]
, 점호각
a
=
30
°
a = 30°
a
=
30°
인 때의 부하 시의 직류전압
E
d
a
(
V
)
E_{da}(V)
E
d
a
(
V
)
는 약 얼마인가? (단, 전류가 연속하는 경우이다.)
1.
90
90
90
2.
86
86
86
3.
77.9
77.9
77.9
4.
100
100
100
💡 로그인하면 학습 진행률이 자동으로 저장되고, 북마크와 오답노트를 사용할 수 있습니다.
이전
다음