2021년 전기기사 2회차 72번 - 기출문제 및 해설
문제 1
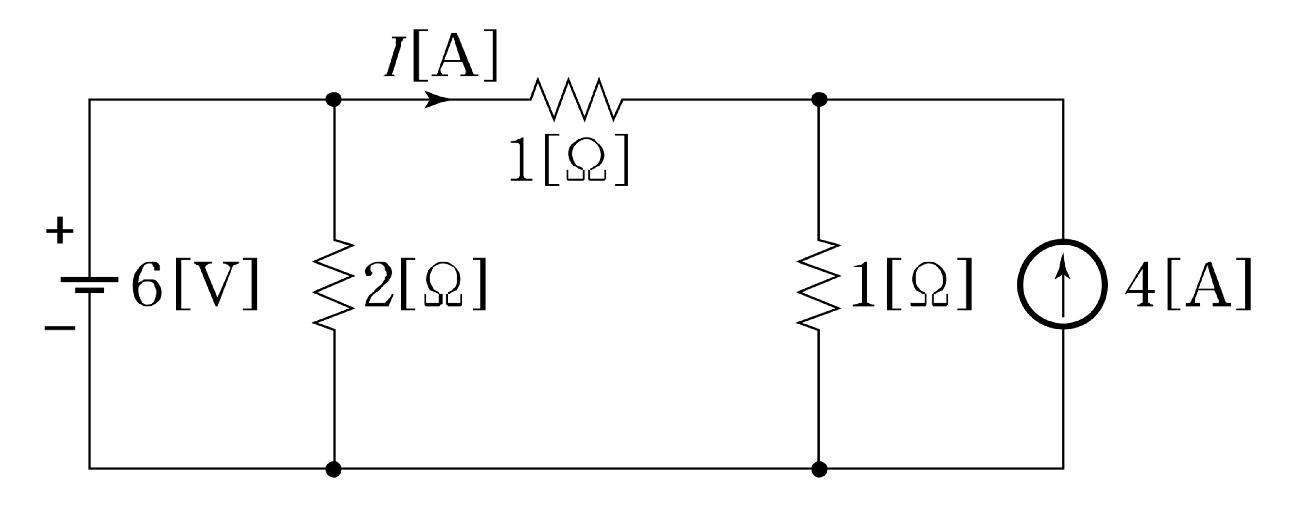
회로에서 저항
1
Ω
1\Omega
1Ω
에 흐르는 전류
I
(
A
)
I(A)
I
(
A
)
는?
1.
3
3
3
2.
2
2
2
3.
1
1
1
4.
−
1
-1
−
1
💡 로그인하면 학습 진행률이 자동으로 저장되고, 북마크와 오답노트를 사용할 수 있습니다.
댓글
0/500
등록
이전
다음