2020년 전기기사 3회차 55번 - 기출문제 및 해설
문제 1
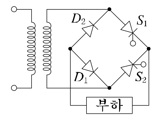
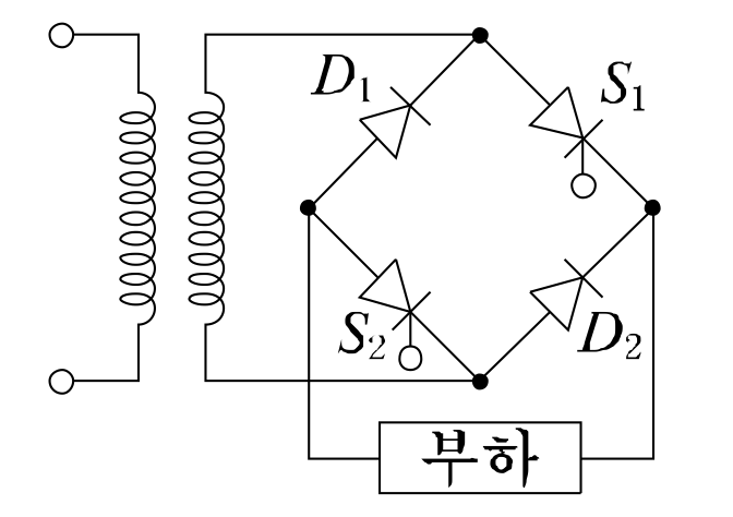
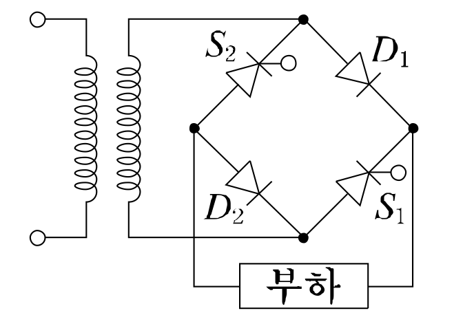
동작모드가 그림과 같이 나타나는 혼합브리지는?
1.
2.
3.
4.
💡 로그인하면 학습 진행률이 자동으로 저장되고, 북마크와 오답노트를 사용할 수 있습니다.
이전
다음